题文
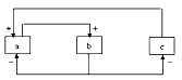
如图是下丘脑及其直接或间接支配的腺体之间关系示意图(“+”表示促进,“-”表示抑制),有关说法不正确的是
[ ]
A.a产生的某物质会影响动物的性行为B.a、b、c中c对内环境稳态的维持影响最小
C.c不仅具有感受刺激和传导兴奋的功能,且有分泌功能
D.b与a两者的分泌物在某些生理功能上表现为协同作用
题型:未知 难度:其他题型
答案
B
解析
该题暂无解析
考点
据考高分专家说,试题“如图是下丘脑及其直接或间接支.....”主要考查你对 [神经冲动的产生和传导 ]考点的理解。
神经冲动的产生和传导
神经冲动的产生和传导:
1、神经元:是一种高度特化的细胞,是神经系统的基本结构和功能单位之一,它具有感受刺激和传导兴奋的功能。神经细胞呈三角形或多角形,可以分为树突、轴突和胞体这三个区域。
2、神经元按照用途分为三种:传入神经,传出神经,和连体神经。
3、根据神经元的功能又可分:
①感觉神经元(sensoryneuron),或称传入神经元(afferentneuron)多为假单极神经元,胞体主要位于脑脊神经节内,其周围突的末梢分布在皮肤和肌肉等处,接受刺激,将刺激传向中枢。
②运动神经元(motorneuron),或称传出神经元(efferentneuron)多为多极神经元,胞体主要位于脑、脊髓和植物神经节内,它把神经冲动传给肌肉或腺体,产生效应。
③中间神经元(interneuron),介于前两种神经元之间,多为多极神经元。动物越进化,中间神经元越多,人神经系统中的中间神经元约占神经元总数的99%,构成中枢神经系统内的复杂网络。
4、兴奋在神经纤维上的传导:以电信号的形式沿着神经纤维的传导是双向的;
静息时膜内为负,膜外为正(外正内负);
兴奋时膜内为正,膜外为负(外负内正),兴奋的传导以膜内传导为标准。
5、兴奋在神经元之间的传递——突触
(1)突触的结构:
突触小体中有突触小泡,突触小泡中有神经递质,神经递质只能由突触前膜释放到突触后膜,使后膜产生兴奋(或抑制)所以是单向传递。(突触前膜→突触后膜,轴突→树突或胞体)
(2)从结构上来说,突触可以分为两大类:
A.轴突——树突表示为:
B.轴突——细胞体表示为:
(3)兴奋在神经元之间的传递
a、神经递质移动方向:突触小泡→突触前膜(释放递质)→突触间隙→突触后膜。
b、神经递质的种类:乙酰胆碱、多巴胺等。
c、神经递质的去向:迅速地分解或被重吸收到突触小体或扩散离开突触间隙,为下一次兴奋做好准备。
d、受体的化学本质为糖蛋白。
e、神经递质的释放过程体现了生物膜的结构特点——流动性。
f、传递特点:单向性,神经递质只能由突触前膜释放作用于突触后膜,引起下一个神经元的兴奋或抑制。
g、在突触传导过程中有电信号→化学信号→电信号的过程,所以比神经元之间的传递速度慢。
兴奋在神经纤维上的传导与突触传递的比较:
过程特点速度神经纤维刺激→电位差→局部电流→未兴奋区双向传导快神经细胞间突触小体→突触小泡→递质→突触(前膜→间隙→后膜)→下一个神经细胞的树突或细胞体单向传递慢
知识点拨:
1、在膜外,兴奋传导方向与局部电流方向相反。在膜内,兴奋传导方向与局部电流方向相同。
2、在一个神经元内有一处受到刺激产生兴奋,迅速传至整个神经元细胞,即在该神经元的任何部位均可测到生物电变化。
3、判断突触前膜、突触后膜的方法已知突触结构图时,膜内有突触小泡,则该膜为突触前膜,否则为后膜。
4、神经递质作用效果有两种:促进或抑制。递质释放的过程为胞吐,由突触后膜(下一神经元的细胞体或树突部分)糖蛋白识别。
知识拓展:
一、电流表指针偏转方向与次数的判断
1.在神经纤维上
(1)刺激a点,b点先兴奋,d点后兴奋,电流计发生两次方向相反的偏转。
(2)刺激c点(bc=cd),b点和d点同时兴奋,电流计不发生偏转
2.在神经元之间
(1)刺激b点,由于兴奋在突触间的传递速度小于在神经纤维上的传导速度,a点先兴奋,d点后兴奋,电流计发生两次方向相反的偏转。
(2)刺激c点,兴奋不能传至a点,a点不兴奋,d 点可兴奋,电流计只发生一次偏转。
二、兴奋的传导方向、特点的分析判断与设计
1.兴奋在完整反射弧中的传导方向判断与分析由于兴奋在神经元之间的传递是单向的,导致兴奋在完整反射弧中的传导也是单向的,只能由传入神经传人,由传出神经传出。
2.兴奋传导特点的设计验证
(1)验证冲动在神经纤维上的传导方法设计:电刺激图①处,观察A的变化,同时测量②处的电位有无变化。结果分析:若A有反应,且②处电位改变,说明冲动在神经纤维上的传导是双向的;若A有反应而②处无电位变化,则说明冲动在神经纤维上的传导是单向的。
(2)验证冲动在神经元之间的传递方法设计:先电刺激图①处,测量③处电位变化:再电刺激③处,测量①处的电位变化。结果分析:若两次实验的检测部位均发生电位变化,说明冲动在神经元间的传递是双向的;若只有一处电位改变,则说明冲动在神经元间的传递是单向的。


![如图是下丘脑及其直接或间接支配的腺体之间关系示意图,有关说法不正确的是[ ]A.a 如图是下丘脑及其直接或间接支配的腺体之间关系示意图,有关说法不正确的是[ ]A.a](https://www.mshxw.com/file/tupian/20210924/a6285f10543046e7411357bd51c430f7.gif)
